электрические теплые полы +7 (925) 041-02-54
с 9:00 до 19:00
Каталог

EBERLE FRe 525 22

Отзывов: 0
Артикул: CN488
  • Есть в наличии
  • Вес: 0 кг.
  • 0 руб.
  • 9 500 руб.

Тип: Механ.

Цвет: Белый

Нагрузка, А: 10

Терморегулятор EBERLE FRe 525 22

 

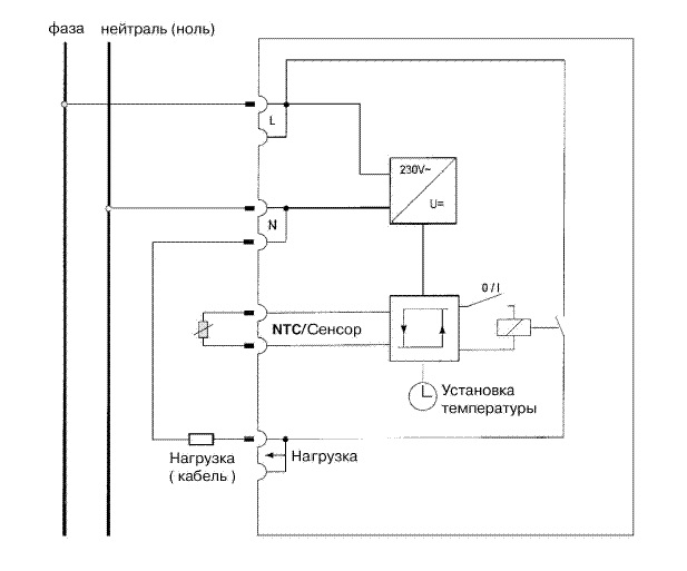
Терморегулятор EBERLE FRe 525 22 это электрическое устройство, с механическим регулятором температур, которое предназначено для контроля за работой теплого пола в обогреваемом помещении. Терморегулятор EBERLE FRe 525 22 имеет стандартные размеры для монтажа во встраиваемую коробку. На лицевой части терморегулятора расположен тумблер включения, колесо механического переключения температуры и светодиодные индикаторы, которые отражает работу системы обогрева (красный индикатор - режим контролера (обогрев включен), зеленый - включен экономный режим.
В комплект терморегулятора входит датчик температуры пола на проводе длиной 4 метра. Рабочий диапазон регулировки температуры от +10°C до +50°С , что соответствует цифровой шкале от 1 до 6 изображенной на колесе регулировки. Максимальная нагрузка на устройство 10 А, что позволяет подключить к нему теплый пол обогреваемой площадью до 12 м2. К терморегулятору EBERLE FRe 525 22  можно подключать внешний таймер для установки функции "ночной режим". 

 

Область применения терморегулятора EBERLE FRe 525 22

 

Терморегулятор EBERLE FRe 525 22 применяют для управления и контроля за теплым полом в жилых, административных, бытовых или производственных помещениях. Терморегулятор подключается к сети переменного тока в 220 В. Задача терморегулятора контролировать температуру нагрева поверхности пола и включать или отключать систему обогрева. Работа терморегулятора позволяет значительно сэкономить расход электроэнергии, при этом обеспечить постоянную работу системы обогрева. 
  

 Комплект поставки:

1) терморегулятор EBERLE FRe 525 22;
2) датчик температуры пола на проводе длиной 4 метра:
3) паспорт устройства и гарантийный талон.
 
  
Технические характеристики терморегулятора EBERLE FRe 525 22
    
Тип термостата  механический терморегулятор
Номинальное напряжение 220-240 В, 50 Гц
Максимальный коммутируемый ток / нагрузка 10 A - 2,300 Вт при 230 В
Температурный уровень  от + 10 °C до + 50 °C
Энергопотребление в обычном режиме <0.2 Вт
Температурный гистерезис (дифференциал) +/-1°C
Тип датчика F 193720
Длина провода датчика 4 м (может быть увеличена до 50 м)
Класс защиты IP 30
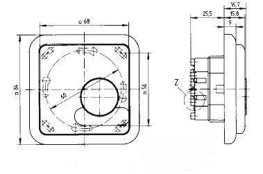
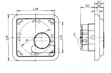
Размеры 84 мм x 84 мм x 42 мм
Гарантия 2 года


 

   Технические характеристики терморегулятора EBERLE FRe 525 22:     
Тип термостата  механический терморегулятор
Номинальное напряжение 220-240 В, 50 Гц
Максимальный коммутируемый ток / нагрузка 10 A - 2,300 Вт при 230 В
Температурный уровень  от + 10 °C до + 50 °C
Энергопотребление в обычном режиме <0.2 Вт
Температурный гистерезис (дифференциал) +/-1°C
Тип датчика F 193720
Длина провода датчика 4 м (может быть увеличена до 50 м)
Класс защиты IP 30
Размеры 84 мм x 84 мм x 42 мм
Гарантия 2 года

 

Показать еще...
Корзина товаров